中国邮政集团有限公司山东省分公司机动车牌证包装盒采购询价公告
中国邮政集团有限公司山东省分公司就“机动车牌证包装盒采购”进行公开询价,欢迎具有报名资格的供应商参加报价。
一、项目名称:
中国邮政集团有限公司山东省分公司机动车牌证包装盒采购。按2种包装盒合计单价优先选择2家供应商,具体供货供应商由市分公司订单确定。
二、采购内容:
(一)车牌证合一包装盒(含内盒)、单车牌包装盒2种包装盒。车牌证合一包装盒(含内盒)最高限价1.9元/个,单车牌包装盒最高限价0.9元/个。
(二)项目采购预算(或预估采购金额):本项目年预算为28万元(含税,下同),最终支付费用按“实际中选价×采购数量”据实结算。
(三)接订单五个工作日内运至甲方指定的17个市分公司收货地点(承担卸货至接收方指定地点)。
(四)报价包含采购方指定单位收到相关货物所支付的一切费用,包括但不限于相关制作费用、运费、设计费用、税费等。
三、报价人资格条件:
(一)供应商必须是在中华人民共和国境内(港澳台除外)依法注册的、具有独立法人资格的、能独立承担民事责任的、有能力为本项目提供货物和服务的单位。
(二)供应商必须遵守国家相关法律、行政法规的规定,具有良好的信誉和诚实的商业道德;在“信用中国”(www.creditchina.gov.cn)列入失信被执行人名单的供应商,被中国政府采购网(www.ccgp.gov.cn)列入政府采购严重违法失信行为记录名单的供应商,被中国邮政集团有限公司或中国邮政集团有限公司山东省分公司列入黑名单且在有效期内的供应商,均无资格参加本项目的采购活动。
(三)与邮政无投资关系且存在以下情况的,不得参加采购活动:邮政领导人员及其亲属和其他特定关系人、邮政员工持股(限非上市公司),以个人身份(组织委派的除外)担任法人、董事长、总经理、监事的企业,以及邮政所属工会或员工集体出资成立的企业。
(四)企业法定代表人为同一人或者存在控股、管理关系的不同供应商,不得同时参加本项目。
(五)供应商为增值税一般纳税人,能开具13%增值税专用发票。
(六)本项目不接受联合体。
(七)本项目不可分包、不可转包。
四、询价单:
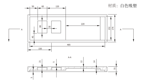
见公告附件(询价单、车牌证合一外包装盒与内盒规格、单车牌包装盒规格)。
五、报价单递交:
2025年12月22日(周一)上午12:00前将盖章后的报价单及样品密封递交或寄送至中国邮政集团有限公司山东省分公司客户营销中心。收件人:济南市黑虎泉西路181号山东邮政大厦 罗老师 15508659997 。
采购人收到的非密封报价单及样品均为无效报价。
六、公告媒体:
本次询价公告公示在中国邮政官方网站(www.chinapost.com.cn)发布。
七、联系方式:
询价人:中国邮政集团有限公司山东省分公司
联系人: 罗老师
地址: 济南市历下区黑虎泉西路181号
电话:15508659997
邮箱:23140733@qq.com
|
机动车牌证外包装询价单 |
|||||
|
报价单位:(盖章) |
|
|
日期: |
|
|
|
项目 |
参数 |
预估数量(万) |
最高限价(元/个) |
单价(元) |
|
|
车牌证合一包装盒 (含内盒) |
包装盒材质:牛皮纸四色彩印裱1瓦瓦楞纸;面纸a级牛皮130克,瓦楞110克,内纸a级130克。 |
7 |
1.9 |
|
|
|
单车牌包装盒 |
包装盒材质:牛皮纸四色彩印裱1瓦瓦楞纸;面纸a级牛皮130克,瓦楞110克,内纸a级130克。 |
7 |
0.9 |
|
|
|
单价合计 |
|
||||
|
相关要求: |
|
|
|
|
|
|
1.交货地点要求 |
|||||
|
2.制作单位应按甲方要求提供设计、制作修改等服务。 |
|||||
|
3.报价包含采购方指定单位收到相关货物所支付的一切费用,包括但不限于相关制作费用、运费、设计费用、税费等。 |
|||||
|
联系人: 罗老师 |
联系电话: 15508659997 |
|
|||
|
注:请于2025年12月22日上午12:00前将盖章后的报价表及样品密封递交或寄送至中国邮政集团有限公司山东省分公司客户营销中心。收件人:济南市黑虎泉西路181号山东邮政大厦 罗老师 15508659997 。 |
|||||
附件 询价单:
车牌证合一外包装盒与内盒规格:


单车牌包装盒规格:
